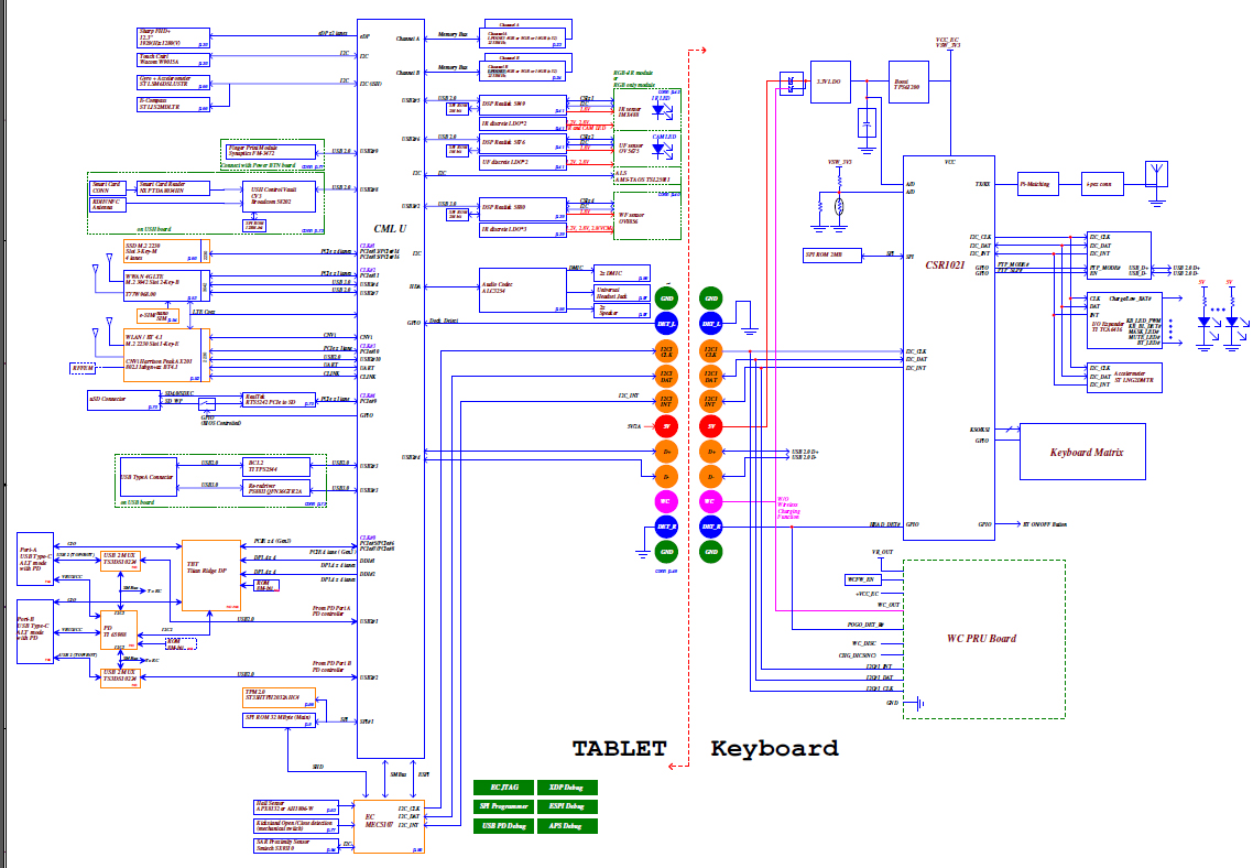
Dell Latitude 7210 2-in-1, Motherboard Schematic diagram
Sale price: US $20.00
Please choose your preferred payment method from the following options below
|
|
Also included: — Power Map — Power Sequence Diagram (AC & DC mode) — SMB/I2C Block Diagram — Topology — AC_Power up Sequence - DC_Power up Sequence — Daughter Boards Block Diagram — Power path block diagram Major components: CPU/PCH/RAM: Intel Comet Lake U + LPDDR3 GPU: UMA EC: SMSC MEC5107 File type : PDF Files size (Schematic diagram): 6 MB Language : English |
|---|
